product
  當前位置 — 止回閥系列 — 鑄鐵緩閉式止回閥
產品名稱:

鑄鐵緩閉式止回閥

所屬分類:

止回閥系列

產品簡介:

HH44X、HH44T、HH44H 型微阻緩閉止回閥用于給排水管道,安裝在水泵出口處用來防止介質逆流和消除破壞性水錘,并能有效地減少閥門關閉水錘壓力,可保障管網安全運行。

【產品用途】

HH44X、HH44T、HH44H型微阻緩閉止回閥用于給排水管道,安裝在水泵出口處用來防止介質逆流和消除破壞性水錘,并能有效地減少閥門關閉水錘壓力,可保障管網安全運行。

 

【產品特點】

 微阻緩閉止回閥具有閥瓣輕、開度大、節電效果顯著,流體阻力小,水錘消除機構設計新穎,密封性能穩定可靠、耐磨損、使用壽命長、運行平穩、無振動、無噪聲等特點。


【性能參數】

型號

HH44T-10~25

HH44X-10~25

HH44H-10~25

工作壓力(MPa)

1.0~2.5

適用溫度(℃)

≤80

適用介質

材料

閥體、閥蓋

灰鑄鐵、碳鋼

閥瓣

橡膠組合件

閥軸

不銹鋼


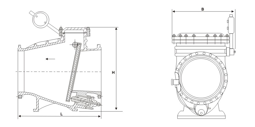
【主要外形和連接尺寸】

公稱通徑

主要外形和連接尺寸

L

W

H

HH44T-10 HH44X-10 H44H-10C HH44T-16 HH44X-16 HH44H-16C HH44T-25 HH44X-25 HH44H-25

50

230

270

300

65

290

290

320

80

310

300

354

100

350

320

350

125

400

340

380

150

480

410

500

200

500

450

580

250

600

550

670

300

700

580

730

350

800

630

820

400

900

700

920

450

1000

800

950

500

1100

900

1100

600

1300

990

1200

700

1400

1120

1550

800

1500

1300

1700

【結構圖片】

在線咨詢

如果您對報價或合作有任何疑問,請隨時通過以下電子郵件與我們聯系 lg@cnlgvalve.com 或使用以下查詢表格。 我們的銷售代表將在24小時內與您聯系。 感謝你對我們產品感興趣。