product
  當前位置 — 止回閥系列 — 法蘭止回閥
產品名稱:

法蘭止回閥

所屬分類:

止回閥系列

產品簡介:

【產品用途】

     H44H、H44Y PN16~PN250 旋啟式止回閥適用于壓力 1.6~25MPa 工作溫度 -29~+550℃ 的石油、化工、制藥、化肥、電力行業等各種工況的管路上,適用介質為水、油品、蒸汽、酸性介質等。

 

【產品特點】

      H44H、H44Y 型旋啟式止回閥是靠管路中介質本身的流動產生的力而自動開啟和關閉的,屬于一種自動閥門。止回閥用于管路系統,其主要作用是防止介質倒流、防止泵及其驅動電機機反轉,以及容器內介質的泄放。止回閥還可用于給其中的壓力可能升至超過主系統壓力的輔助系統提供補給的管路上。

 

【性能參數】

型號

H44H-16C~250

H44W-16P~250

工作壓力(MPa

1.6~25

適用溫度(℃)

425

550

適用介質

水、蒸汽、油品

弱腐蝕性介質

材料

閥體、閥蓋、閥瓣

碳素鋼

鉻鎳鈦不銹鋼

密封面

碳鋼堆焊鐵基合金

本體密封

 

 

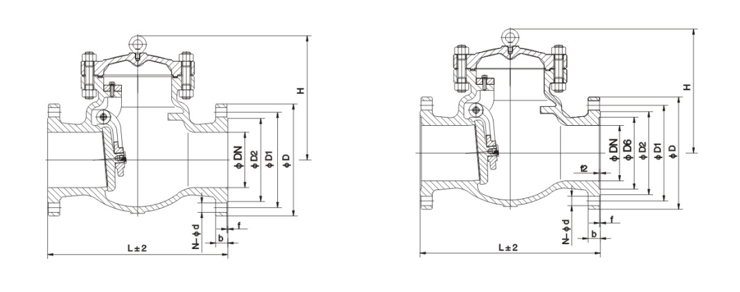
【主要外形和連接尺寸】

公稱通徑 DN

主要外形尺寸和連接尺寸

L

D

D1

D2

b

Z-d

H

H44H-16C H44W-16C H44W-16P H44W-16R H44W-16I

25

160

115

85

65

16

4-14

100

32

180

135

100

78

16

4-18

105

40

200

145

100

85

16

4-18

115

50

230

160

125

100

16

4-18

135

65

290

180

145

120

18

4-18

142

80

310

195

160

135

20

8-18

165

100

350

215

180

155

20

8-18

180

125

400

245

210

185

22

8-18

210

150

480

280

240

210

24

8-23

233

200

500

335

295

265

26

12-23

304

250

550

405

355

320

30

12-25

348

300

650

460

410

375

30

12-25

390

350

750

520

470

435

34

16-25

430

400

850

580

525

485

36

16-30

468

H44H-25 H44W-25 H44W-25P H44W-25R H44W-25I

25

160

115

85

65

16

4-14

100

32

180

135

100

78

16

4-18

105

40

200

145

110

85

16

4-18

115

50

230

160

125

100

20

4-18

160

65

290

180

145

120

22

8-18

175

80

310

195

160

135

22

8-18

185

100

350

230

190

160

24

8-23

220

125

400

270

220

188

28

8-25

248

150

480

300

250

218

30

8-25

276

200

550

360

310

278

34

12-25

350

250

650

425

370

332

36

12-30

410

300

750

485

430

390

40

16-30

430

350

850

550

490

448

44

16-34

518

400

950

610

550

505

48

16-34

560

 

【結構圖片】

 

 

在線咨詢

如果您對報價或合作有任何疑問,請隨時通過以下電子郵件與我們聯系 lg@cnlgvalve.com 或使用以下查詢表格。 我們的銷售代表將在24小時內與您聯系。 感謝你對我們產品感興趣。