product
  當前位置 — 蝶閥系列 — 通風蝶閥
產品名稱:

通風蝶閥

所屬分類:

蝶閥系列

產品簡介:

D341H、D341W 型 PN0.5~PN1 通風蝶閥在冶金、化工、建材、電站、玻璃等行業中的通風、環保工程的含塵冷風或熱風氣體管道中,作為氣體介質調節流量或切斷裝置。

【產品用途】

     D341H、D341W PN0.5~PN1 通風蝶閥在冶金、化工、建材、電站、玻璃等行業中的通風、環保工程的含塵冷風或熱風氣體管道中,作為氣體介質調節流量或切斷裝置。

 

【產品特點】

通風蝶閥的結構是使用中線蝶板和短結構鋼板進行焊接而成的,所以它的內部沒有連桿和螺栓等組件,在使用過程中也就不會產生一些組件問題,因此故障率很低。使用起來很方便。是一種可靠的閥門裝置。而且因為它的密封系統采用的是金屬封閉,雖然密封效果比不上彈性密封,但是使用壽命要比彈性密封長,而且具有耐高溫的特性。所以在建材、電力、冶金等行業都有著廣泛的應用。在溫度不高于300度的介質輸送管道中,都可以的實現連接和關閉調節作用。這種蝶閥還可以根據客戶的需要來特殊定制,十分的人性化。

因為通風蝶閥的蝶板與閥體間的間隙很大,有足夠的膨脹空間,所以在使用過程中它可以有效的防止因為溫度變化帶來的熱脹冷縮的情況,也就不會產生蝶板卡死的現象了。常見的蝶閥有多種的驅動方式,有手動驅動的,也有電動驅動的和氣動驅動的等等,選擇的余地非常的大。因為材質的緣故,這種蝶閥還具備耐高溫的特性,開關的時候也不會有摩擦,使用壽命極長。通風蝶閥是一種使用鋼板焊接制作而成的的閥門,它具有尺寸小重量輕容易安裝等特點,而且因為它的流動阻力小,流通量大,不會受到高溫膨脹的影響。它的驅動力矩較小,開關非常的靈活,所以操作起來很方便。深受業內人士的喜愛。

 

【安裝說明】

通風蝶閥的安裝是至關重要的,因為安裝的好壞直接關系到了機械以后使用,所以我們在安裝通風蝶閥的時候一定要小心,并且注意相關的問題!下面就有昊天小編帶著大家一起來探討下吧!

通風蝶閥結構采用中線式碟板與短結構鋼板焊接的新型結構形式設計制造的,結構緊湊、重量輕、便于安裝、流阻小、流通量大,避免高溫膨脹的影響,操作輕便。通風蝶閥內無連桿、螺栓等、工作可靠、使用壽命長。通風蝶閥是一種非密閉型蝶閥,廣泛適用于建材、冶金、礦山、電力等生產過程種介質溫度≤300℃公稱壓力為0.1Mpa的管道上,用以連通、啟閉或調節介質量。

通風蝶閥在管道中一般應當水平安裝,應用于化工、建材、電站、玻璃等行業中的通風、環保工程的含塵冷風或熱風氣體管道中,作為氣體介質調節流量或切斷的管道控制裝置。

【產品主要參數】

公稱壓力(MPa)

0.05MPa

介質溫度

-30℃~-350

強度試驗

0.1MPa

適用介質

冷熱風、煙氣

介質流速

25m/s

泄漏率

3%

 

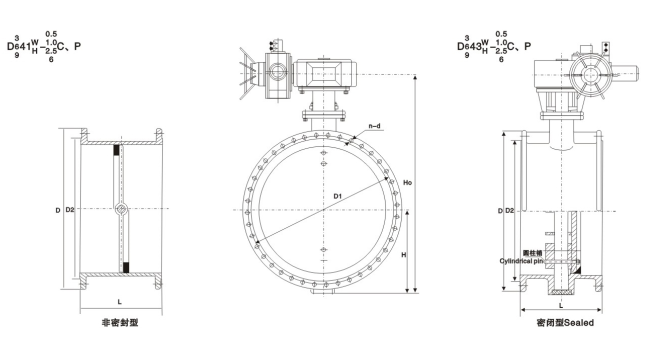
【主要外形和連接尺寸】

DN

D

D1

L

L1

L2

n-Фd

b

300

405

370

120

716

220

8-12

10

350

455

420

140

786

240

8-14

10

400

505

470

140

924

270

12-18

10

450

570

530

160

999

295

12-18

10

500

620

580

160

1079

325

12-18

10

600

720

680

180

1140

380

16-18

12

700

820

780

180

1240

430

16-18

12

800

920

880

200

1350

490

16-18

12

900

1040

990

200

1450

540

16-18

14

1000

1140

1090

220

1550

590

20-18

14

1100

1240

1190

220

1800

640

20-18

14

1200

1340

1290

240

1900

690

20-18

14

1300

1440

1390

240

2020

760

20-18

16

1400

1540

1490

260

2120

810

24-18

16

1500

1640

1590

260

2220

860

24-18

16

1600

1740

1690

280

2390

980

24-18

16

1700

1840

1790

280

2590

1030

28-22

16

1800

1940

1890

300

2709

1096

28-22

16

1900

2040

1990

300

2826

1146

32-22

16

2000

2150

2090

320

2926

1196

32-26

16

2200

2360

2300

340

3126

1296

36-26

16

2400

2560

2500

360

3326

1396

36-26

18

2600

2760

2700

380

3526

1496

40-26

18

2800

2960

2900

400

3726

1596

40-26

18

3000

3190

3110

400

4098

1698

44-30

18

3200

3390

3310

440

4338

1798

44-30

20

3400

3590

3510

440

4578

1898

48-30

20

3600

3790

3710

480

4780

1998

48-30

20

3800

4000

3910

480

5000

2098

52-30

22

4000

4210

4120

520

5200

2210

52-30

22

 

結構圖片

 

在線咨詢

如果您對報價或合作有任何疑問,請隨時通過以下電子郵件與我們聯系 lg@cnlgvalve.com 或使用以下查詢表格。 我們的銷售代表將在24小時內與您聯系。 感謝你對我們產品感興趣。