product
  當前位置 — 蝶閥系列 — 煤氣專用蝶閥
產品名稱:

煤氣專用蝶閥

所屬分類:

蝶閥系列

產品簡介:

煤氣專用蝶閥是一種常用于冶金、化工等領域中通風管路中,主要負責含有含塵的冷、熱風流、流通的流量調節和切斷,這樣看起來煤氣蝶閥似乎沒有什么過人之處,但是與普通的閥門相比,蝶閥的結構更適合這種工作環境。

【產品用途】

煤氣專用蝶閥是一種常用于冶金、化工等領域中通風管路中,主要負責含有含塵的冷、熱風流、流通的流量調節和切斷,這樣看起來煤氣蝶閥似乎沒有什么過人之處,但是與普通的閥門相比,蝶閥的結構更適合這種工作環境。

煤氣專用蝶閥使用中線式碟板和鋼板焊接制成,結構緊密,重量輕。區別于普通類閥門,特點在于它的內部沒有連接桿、螺栓等結構,所以對通道輸送氣體所帶來的腐蝕和破壞具有更強的抵抗作用。

通常煤氣蝶閥都會采用氣動控制或者電動控制,引起力矩小、操作簡便、可靠性高。所以在冶金、環保等領域廣泛使用。另外,這種閥門還可以手動控制和自動控制之間自如切換,能夠實現更靈活的使用。

這種蝶閥的使用,在一定程度上可以取代球閥閘閥,因為不需要安裝多層密封圈,而是直接安裝在閥體上,在閥座和壓板中間部分設計調節環,所以能夠實現更理想的雙向硬質密封。

 

【煤氣專用蝶閥的選擇原則】

1、在系統中起連通和切斷作用,并允許切斷時介質有少量泄露(一般不大于5%)的風門可選用關閉擋板風門、74DD圓風門、方風門、鋼制關斷風門等。

2、在系統中起調節介質流量作用,且一般不起隔斷作用的風門,宜選用調節擋板風門、鋼制調節圓風門。對于要求既有調節性能又需切斷介質流動功能的風門,宜選用無泄漏調節擋板風門,74DD圓風門、方風門。用于離心式風機入口的風門,只宜選用平行開關式的調節擋板風門、方風門。用于即起調節作用又需自動關斷逆向氣流場合的風門,宜選用逆止式調節風門。

3、在系統中作切斷用,且不允許介質泄露(理論上泄漏量為零),宜選用隔絕類風門,其種類有標準插板式隔絕門、大型閘板門、翻板門、雙峰百葉窗式風門。

4、用于煤粉制備系統中起隔絕作用風門,可選用煤粉閘門裝置。

5、用于灰煤粉等粒狀物料的隔絕門,可選用隔絕閘門裝置。

6、用于粉塵管路易受磨損、沖刷的葉片式風門,表面要耐磨、耐蝕,可選用耐磨陶瓷風門或表面噴涂高溫防腐耐磨合金圖層的風門(風門的使用壽命較16Mn鋼材延長使用壽命4~5倍)。

 

 

 

【標準規范】

設計制造標準:GB/T 12238-2008 
結構長度標準:GB/T 12221-2005
連接法蘭標準:GB/T 9113
壓力溫度等級:GB/T 12224-2005
試驗檢驗標準:GB/T 13927-2008

 

【結構特點】

1、啟閉方便迅速、省力、流體阻力小,可以經常操作。

2、結構簡單,體積小,重量輕。

3、低壓下實現良好的密封。

4、調節性能好。

 

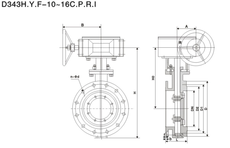
主要外形和連接尺寸

PN

DN

L

D

D1

D2

Z-d

b

f

H

H0

1.0

50

108

165

125

99

4-18

20

2

170

130

1.0

65

112

185

145

118

4-18

20

2

170

145

1.0

80

114

200

160

132

8-18

20

2

230

152

1.0

100

127

220

180

156

8-18

22

2

320

192

1.0

125

140

250

210

184

8-18

22

2

345

200

1.0

150

140

285

240

211

8-22

24

2

385

230

1.0

200

152

340

295

266

8-22

24

2

471

297

1.0

250

165

405

355

319

12-22

26

2

533

327

1.0

300

178

445

400

370

12-22

26

2

606

364

1.0

350

190

505

460

429

16-22

26

2

694

404

1.0

400

216

565

515

480

16-26

26

2

757

444

1.0

450

222

615

565

530

20-26

28

2

814

472

1.0

500

229

670

620

582

20-26

28

2

902

522

1.0

600

267

780

725

682

20-30

34

2

1048

590

1.0

700

292

895

840

794

24-30

34

5

1277

810

1.0

800

318

1015

950

901

24-33

36

5

1385

844

1.0

900

330

1115

1050

1001

28-33

38

5

1490

890

1.0

1000

410

1230

1160

1112

28-36

38

5

1620

950

1.6

50

108

165

125

99

4-18

20

2

170

130

1.6

65

112

185

145

118

4-18

20

2

170

145

1.6

80

114

200

160

132

8-18

20

2

230

152

1.6

100

127

220

180

156

8-18

22

2

320

192

1.6

125

140

250

210

184

8-18

22

2

345

200

1.6

150

140

285

240

211

8-22

24

2

385

230

1.6

200

152

340

295

266

12-22

24

2

471

297

1.6

250

165

405

355

319

12-26

26

2

533

327

1.6

300

178

460

410

370

12-26

28

2

606

364

1.6

350

190

520

470

429

16-26

30

2

694

404

1.6

400

216

580

525

480

16-30

32

2

757

444

1.6

450

222

640

585

548

20-30

40

2

814

472

1.6

500

229

715

650

609

20-33

44

2

902

522

1.6

600

267

840

770

720

20-36

54

2

1048

590

1.6

700

292

910

840

794

24-36

40

5

1277

810

1.6

800

318

1025

950

901

24-39

42

5

1385

844

1.6

900

330

1125

1050

1001

28-39

44

5

1490

890

1.6

1000

410

1225

1170

1112

28-42

46

5

1620

950

2.5

50

108

165

125

99

4-18

20

2

170

130

2.5

65

112

185

145

118

8-18

22

2

265

210

2.5

80

114

200

160

132

8-18

24

2

310

233

2.5

100

127

235

190

156

8-22

24

2

343

242

2.5

125

140

270

220

184

8-26

26

2

385

254

2.5

150

140

300

250

211

8-26

28

2

445

580

2.5

200

152

360

310

274

12-26

30

2

510

297

2.5

250

165

425

370

330

12-30

32

2

569

339

2.5

300

178

485

430

389

16-30

34

2

653

375

2.5

350

190

555

490

448

16-33

38

2

730

420

2.5

400

216

620

550

503

16-36

40

2

810

463

2.5

450

222

670

600

548

20-36

46

2

850

495

2.5

500

229

730

660

609

20-36

48

2

940

566

2.5

600

267

845

770

720

20-39

58

2

1150

630

2.5

700

292

960

875

820

24-42

58

5

1195

727

2.5

800

318

1085

990

609

24-36

58

5

1268

810

 

結構圖片


在線咨詢

如果您對報價或合作有任何疑問,請隨時通過以下電子郵件與我們聯系 lg@cnlgvalve.com 或使用以下查詢表格。 我們的銷售代表將在24小時內與您聯系。 感謝你對我們產品感興趣。