product
  當前位置 — 截止閥系列 — 國標截止閥
產品名稱:

國標截止閥

所屬分類:

截止閥系列

產品簡介:

集團生產的J41H、J41Y、J41W 國標截止閥的啟閉件是圓柱形的閥瓣,密封面呈平面或錐面,閥瓣沿流體的中心線作直線運動。國標截止閥只適用于全開和全關,一般不用來調節流量,定做時允許作調節和節流。

【產品用途】

集團生產的J41H、J41YJ41W 國標截止閥的啟閉件是圓柱形的閥瓣,密封面呈平面或錐面,閥瓣沿流體的中心線作直線運動。國標截止閥只適用于全開和全關,一般不用來調節流量,定做時允許作調節和節流。

 

【產品特點】

1、結構簡單,制造和維修比較方便

2、工作行程小,啟閉時間短

3、密封性好,密封面間磨擦力小,壽命較長

 

【執行標準】

設計規范:GB/T 12235

結構長度:GB/T 12221

法蘭連接:JB/T 79

試驗與檢驗:JB/T 9002

產品標識:GB/T 12220

供貨規范:JB/T 7928

 

性能參數】

型號

J41H-16C160C

J41Y-16C160C

J41W-16P160P

工作壓力(MPa

1.616.0

適用溫度(℃)

425

150

適用介質

水、蒸汽、油品

弱腐蝕性介質

材料

閥體、閥蓋

碳素鋼

鉻鎳鈦不銹鋼

閥桿

鉻不銹鋼

鉻鎳鈦不銹鋼

密封面

堆焊鐵基合金

堆焊硬基合金

本體材料

填料

石棉石墨、柔性石墨、聚四氟乙烯

 

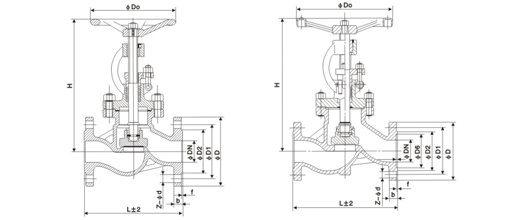
主要外形和連接尺寸】

公稱通徑

主要外形尺寸和連接尺寸

L

D

D1

D2

b

Z-d

H

D0

J41H-16C

15

130

95

65

45

14-2

4-Φ14

170

120

20

150

105

75

55

14-2

4-Φ14

190

140

25

160

115

85

65

14-2

4-Φ14

205

160

32

180

135

100

78

16-2

4-Φ18

270

180

40

200

145

110

85

16-3

4-Φ18

310

200

50

230

160

125

100

16-3

4-Φ18

358

240

65

290

180

145

120

18-3

4-Φ18

373

240

80

310

195

160

135

20-3

8-Φ18

435

280

100

350

215

180

155

20-3

8-Φ18

500

300

125

400

245

210

185

22-3

8-Φ18

614

320

150

480

280

240

210

24-3

8-Φ23

674

360

200

600

335

295

265

26-3

12-Φ23

811

400

250

650

405

355

320

30-3

12-Φ25

969

450

300

750

460

410

375

30-3

12-Φ25

1145

580

350

850

520

470

435

34-4

16-Φ25

1280

640

400

980

580

525

485

36-4

16-Φ30

1452

640

J41H-25C

15

130

95

65

45

16-2

4-Φ14

170

120

20

150

105

75

55

16-2

4-Φ14

190

140

25

160

115

85

65

16-2

4-Φ14

205

160

32

180

135

100

78

18-2

4-Φ18

270

180

40

200

145

110

85

18-3

4-Φ18

310

200

50

230

160

125

100

20-3

4-Φ18

358

240

65

290

180

145

120

22-3

8-Φ18

373

240

80

310

195

160

135

22-3

8-Φ18

435

280

100

350

230

190

160

24-3

8-Φ23

500

300

125

400

270

220

188

28-3

8-Φ25

614

320

150

480

300

250

218

30-3

8-Φ25

674

360

200

600

360

310

278

34-3

12-Φ25

811

400

250

650

425

370

332

36-3

12-Φ30

969

450

300

750

485

430

390

40-4

16-Φ30

1145

580

350

850

550

490

448

44-4

16-Φ34

1280

640

400

980

610

550

505

48-4

16-Φ34

1452

640

【結構圖片】


在線咨詢

如果您對報價或合作有任何疑問,請隨時通過以下電子郵件與我們聯系 lg@cnlgvalve.com 或使用以下查詢表格。 我們的銷售代表將在24小時內與您聯系。 感謝你對我們產品感興趣。