product
  當前位置 — 蝶閥系列 — 對夾蝶閥
產品名稱:

對夾蝶閥

所屬分類:

蝶閥系列

產品簡介:

D373H、D373Y 型對夾蝶閥采用精密的J形彈性密封圈和三偏心多層次金屬硬密封結構,被廣泛用于介質溫度≤425℃的治金、電力、石油化工、以及給排水和市政建設等工業管道上,作調節流量和載斷流體使用。

【產品用途】

D373HD373Y 型對夾蝶閥采用精密的J形彈性密封圈和三偏心多層次金屬硬密封結構,被廣泛用于介質溫度≤425℃的治金、電力、石油化工、以及給排水和市政建設等工業管道上,作調節流量和載斷流體使用。

 

【產品特點】

1、對夾蝶閥采用三偏心密封結構,閥座與蝶板幾乎無磨損,具有越觀越緊的密封功能

2、密封圈選用不銹鋼制作,具有金屬硬密封和彈性密封的雙重優點,無論在低溫和高溫的情況下,均具有優良的密封性能,具有耐腐蝕,使用壽命長等特點

3、蝶板密封面采用堆焊鈷基硬質合金,密封面耐磨損,使用壽命長

4、大規格蝶板采用絎架結構,強度高,過流面積大,流阻小

5、對夾式硬密封蝶閥具有雙向密封功能,安裝時不受介質流向的限制,也不受空間位置的影響,可在任何方向安裝

6、驅動裝置可以多工位(旋轉90°或180°)安裝,便于用戶使用

【性能參數】

型號

D373H-10C~40

D373H-10P~40

D373Y-10C~40

D373Y-10P~40

工作壓力(MPa

1.0~4.0

適用溫度(℃)

300

適用介質

水、油品、蒸汽等

材料

閥體、蝶板

鑄鋼

奧氏體不銹鋼

閥桿

40Cr

奧氏體不銹鋼

密封面配對材料

不銹鋼/不銹鋼

不銹鋼/司太立

填料

柔性石墨

聚四氟乙烯

 

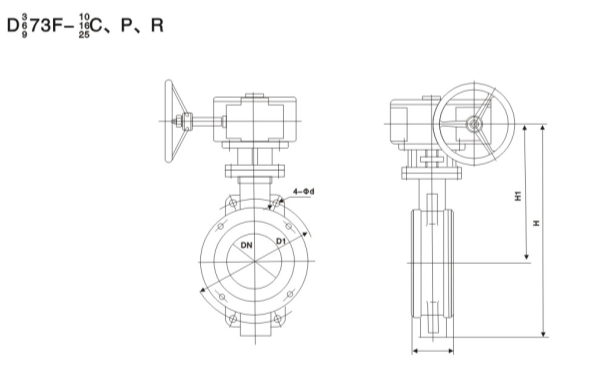
主要外形和連接尺寸

公稱通徑DN

主要尺寸

法蘭尺寸

1.0MPa

1.6MPa

2.5MPa

L

H1

H

D1

n-Φd

D1

n-Φd

D1

n-Φd

50

43

255

340

125

4-18

125

4-18

125

4-18

65

46

280

370

145

4-18

145

4-18

145

4-18

80

49

285

385

160

4-18

160

4-18

160

4-18

100

56

310

430

180

4-18

180

4-18

190

4-22

125

64

310

440

210

4-18

210

4-18

220

4-26

150

70

315

475

240

4-23

240

4-22

250

4-26

200

71

380

590

295

4-23

295

4-22

310

4-26

250

76

460

710

350

4-23

355

4-26

370

4-30

300

83

475

725

400

4-23

410

4-26

430

4-30

350

92

510

830

460

4-23

470

4-26

490

4-33

400

102

550

900

515

4-25

525

4-30

550

4-36

450

114

590

970

565

4-25

585

4-30

600

4-36

500

127

610

1030

620

4-25

650

4-33

660

4-36

600

154

660

1150

725

4-30

770

4-36

770

4-39

700

165

730

1220

840

4-30

840

4-36

875

4-42

800

190

810

1300

950

4-34

950

4-39

990

4-48

900

203

930

1480

1050

4-34

1050

4-39

1090

4-48

1000

216

1020

1600

1160

4-34

1170

4-42

1210

4-56

 

結構圖片

 

在線咨詢

如果您對報價或合作有任何疑問,請隨時通過以下電子郵件與我們聯系 lg@cnlgvalve.com 或使用以下查詢表格。 我們的銷售代表將在24小時內與您聯系。 感謝你對我們產品感興趣。